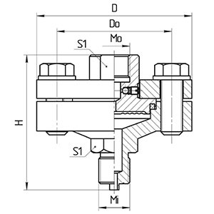
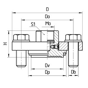
Разделитель BA-V-О-О-E-5321

По запросу
Разделитель BA-V (Материал мембраны / Диапазон рабочих температур / Область применения)-О (Материал фланца)-О (Материал корпуса)-E (Выходной штуцер)-5321 (Модель разделителя и тип соединения / Рабочее давление, кГс/см2)
Характеристики
Материал мембраны / Диапазон рабочих температур / Область применения:
V ( Резина V / -10...+200С / Грязные,или застывающие агрессивные )
Материал фланца:
0 ( Углеродистая сталь )
Материал корпуса:
0 ( Углеродистая сталь )
Выходной штуцер:
E ( 1/2" NPT )
Модель разделителя и тип соединения / Рабочее давление, кГс/см2:
5321 ( Штуцерное соединение / -1...600 кГс/см2 )
Производство:
00ЭДТ
В корзину
  • Описание
Данный сайт использует файлы cookie и прочие похожие технологии. В том числе, мы обрабатываем Ваш IP-адрес для определения региона местоположения. Используя данный сайт, вы подтверждаете свое согласие с политикой конфиденциальности сайта.
ОК
Рейтинг@Mail.ru Яндекс.Метрика