Разделитель BW-1-S-1-1-А-O-E

По запросу
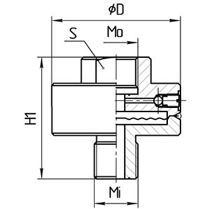
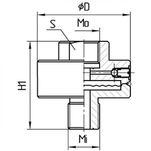
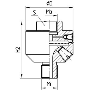
Разделитель BW-1 (Материал мембраны)-S (Типоразмер разделительного элемента)-1 (Материал корпуса и крышки)-1 (Исполнение)-А (Размеры штуцеров: Вход)-O (Резьба штуцера)-E (Размеры штуцеров: Выход)
Характеристики
Материал мембраны:
1 (Нержавеющая сталь)
Типоразмер разделительного элемента:
S ( Малый )
Материал корпуса и крышки:
1 ( Нержавеющая сталь )
Исполнение:
1 ( Стандартное )
Размеры штуцеров: Вход:
А ( М20х1,5 )
Резьба штуцера:
O ( Внутренняя резьба )
Размеры штуцеров: Выход:
E ( 1/2" NPT )
Производство:
00ЭДТ
В корзину
  • Описание
Данный сайт использует файлы cookie и прочие похожие технологии. В том числе, мы обрабатываем Ваш IP-адрес для определения региона местоположения. Используя данный сайт, вы подтверждаете свое согласие с политикой конфиденциальности сайта.
ОК
Рейтинг@Mail.ru Яндекс.Метрика