Разделитель WF-3-15-10-A-ANSI

По запросу
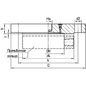
Разделитель WF-3 (Материал мембраны)-15 (DN, мм)-10 (PN , кГс/см2 или psi)-A (Выходной штуцер)-ANSI (Стандарт фланца)
Характеристики
Материал мембраны:
3 ( Молибденовая сталь )
DN, мм:
15 мм
PN , кГс/см2 или psi:
10 кгс/см²
Выходной штуцер:
A ( М20х1,5 )
Стандарт фланца:
ANSI ( ANSI 16.5 )
Производство:
00ЭДТ
В корзину
  • Описание
Данный сайт использует файлы cookie и прочие похожие технологии. В том числе, мы обрабатываем Ваш IP-адрес для определения региона местоположения. Используя данный сайт, вы подтверждаете свое согласие с политикой конфиденциальности сайта.
ОК
Рейтинг@Mail.ru Яндекс.Метрика